General Information 3

Size Range

1/8” through 2”

Material

  • Carbon Steel
  • EPDM Rubber Lining for noise reduction level up to 15dB acc. to DIN4109, vibration reduction and partial compensation of thermal expansion.

Service

Used for mounting of pipes to the walls (vertical/horizontal), ceilings and floors.

Installation

  • Easy and safe assembly through Philips combi side screws.
  • Side screws are protected against loss during assembly with the help of plastic washers.

Ordering

Specify pipe size, figure number and name.

Finish

  • Electro-Galvanization acc. to ASTM B 633/ASTM F 1941 – EN ISO 2081/EN ISO 4042
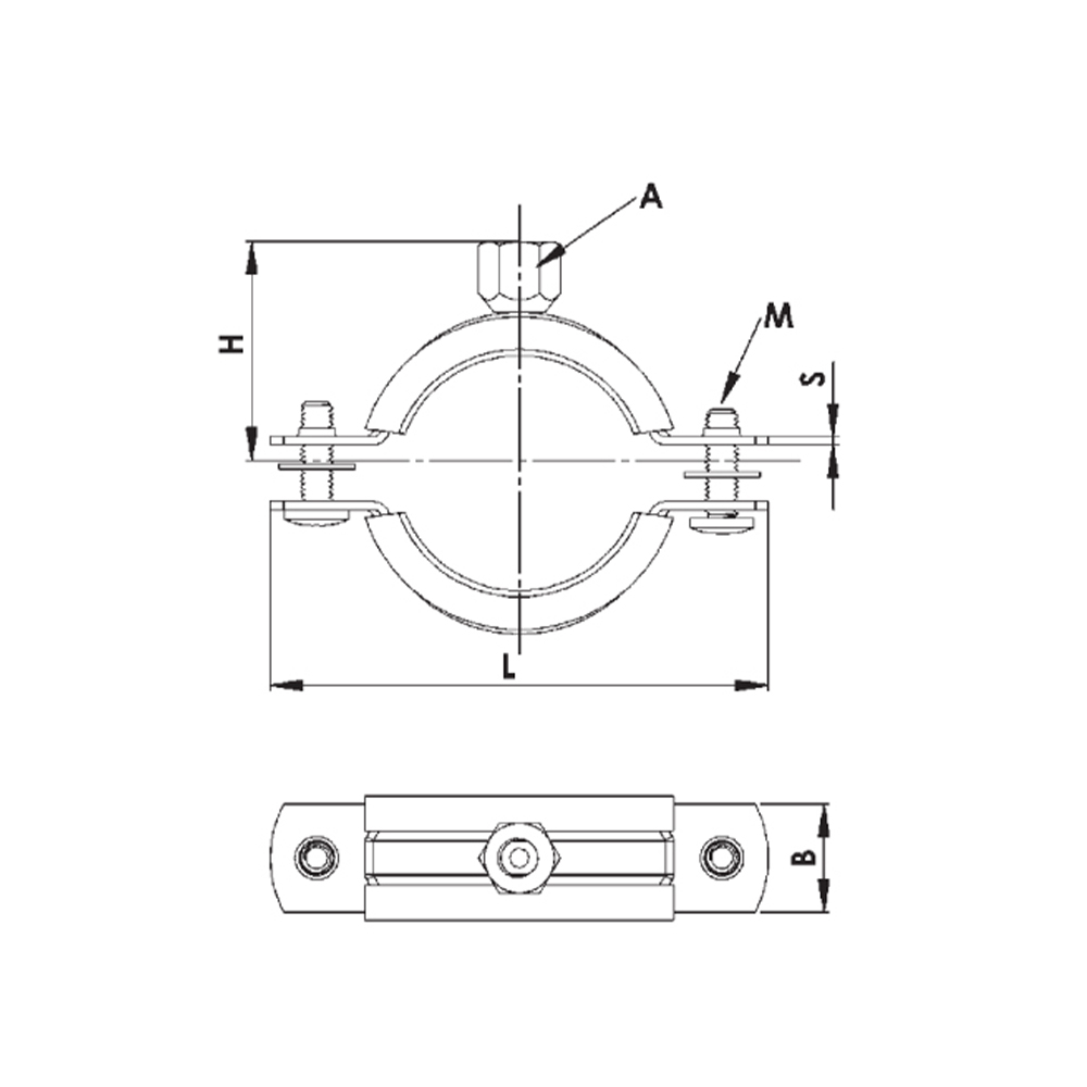
Part No. Size Clamping
Range
[mm]
S x B
[mm]
A H
[mm]
L
[mm]
M Breaking
Load
[kN]
Max Recom.
Load
[kN]
Q’ty/Box Weight/Box
[kg]
Inch DN
IC11501010 3/8” 10 16-19 1,5 x 20 M8 22.8 50.5 M5 3.9 1.3 150 5.7
IC11501015 1/2” 15 18-23 1,5 x 20 M8 24 54.5 M5 3.9 1.3 100 4
IC11501017 24-26 24-26 1,5 x 20 M8 26 58.5 M5 3.9 1.3 100 4.3
IC11501020 3/4” 20 27-31 1,5 x 20 M8 28 62.5 M5 3.9 1.3 100 4.7
IC11501025 1” 25 32-37 1,5 x 20 M8 31 68.5 M5 3.9 1.3 100 5.2
IC11501032 1 1/4” 32 39-44 1,5 x 20 M8 34.5 76 M5 3.9 1.3 100 5.9
IC11501040 1 1/2” 40 46-54 1,5 x 20 M8 39 91.5 M6 4.8 1.6 50 3.6
IC11501050 2” 50 54-61 1,5 x 20 M8 42.5 99 M6 4.8 1.6 50 3.9

 

Scroll to Top